熱門資訊 / NEWS
- 02-25· 提高水泥電桿產品質量的措施
- 12-16· 水泥井管模具的使用與保養
- 10-23· 水泥管模具開、合模作業指導
- 12-16· 如何確定適用于懸輥機的混凝
- 12-16· 懸輥機的工作原理及設計制造
- 12-16· 重慶建成4300公里排水管網
推薦水泥制管機 / PRODUCTS
您當前位置:山東海煜重工有限公司 > 新聞中心 > 技術資料 >
技術資料
水泥制管機生產三階段預應力輸水管
時間:2015-05-03 15:02 來源:qzhaiyu.com 作者:海煜重工 點擊: 次
|
在我國絕大多數廠家都用離心制管工藝生產大口徑、超大口徑混凝土輸水管,不僅生產效率低,而且產品質量差,抗滲性能不合格,至今未見使用國際上處于領先水平的芯模旋振工藝的報道。青海省重點工程--湟中縣水峽二級水電站急需一批非標的Φ1700超大口徑混凝土輸水管,許多廠家無法生產,甘肅預應力制管廠在有關單位的支持下,經過對比研究管芯的三種振動制管工藝,從中優選出在技術經濟上具有優越性的芯模旋振工藝,成功地開發出500根SYG-1700Ⅰ、Ⅱ級混凝土輸水管,達到了國內領先水平。
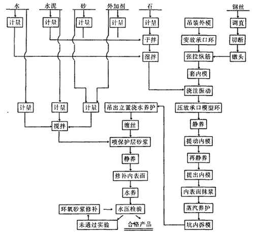
1. 原材料 1.1 水泥 甘肅永登水泥廠生產的525#普通硅酸鹽水泥,其物理力學性能如下:細度為0.08mm方孔篩篩余5.6%;初凝時間2h,終凝時間2h13min,3d抗壓強度27.0MPa,3d抗折強度5.9MPa,7d抗壓強度37.2MPa,7d抗折強度6.9MPa,28d抗壓強度56.2MPa,28d抗折強度8.5MPa;SO3含量2.15%,MgO含量1.80%,燒失量0.40%;安定性合格。 1.2 砂 甘肅永登莊浪河產的河砂,表觀密度2590kg/m3,堆積密度1670kg/m3,空隙率36.0%,含泥量0.4%,含水率3.0%,細度模數2.4,中砂,Ⅱ區級配。 1.3 石 甘肅永登莊浪河產的河卵石,表觀密度2690kg/m3,堆積密度1640kg/m3,空隙率39.0%,含泥量0.5%,針片狀顆粒含量11.3%,5~20連續級配。 1.4 外加劑 自行研制的FDN型萘系復合高效減水劑,含有減水、早強、增密等組份,不含氯鹽,減水率15%以上。 1.5 鋼絲 咸陽特種鋼絲廠生產的飛龍牌矯直回火鋼絲,直徑Φ5,抗拉強度等級為1570MPa。咸陽石油鋼管鋼絲廠生產的三環牌冷拉鋼絲,直徑Φ5,抗拉強度分別為1580、1605MPa,伸長率均為3%,反復彎曲5次。 1.6 水 欽用水。 2. 管芯混凝土的配合比與性能 根據GB5696-1994《預應力混凝土輸水管(管芯纏絲工藝)》的設計要求:管芯混凝土強度等級要達到C40,脫模強度不低于28MPa,口徑Φ1400以上的Ⅰ、Ⅱ級預應力混凝土輸水管的管芯纏絲強度分別不低于28、40MPa。由此可見,原標準的設計要求不盡合理,因此我們在研究過程中確定管芯混凝土的設計強度等級為C50。經過優選實驗確定的混凝土配合比為:水泥450kg/m3,砂692kg/m3,石1188kg/m3,水147kg/m3,W/C=0.33,FDN型萘系復合高效減水劑摻量1%,混合料的坍落度為5~15mm。管芯混凝土的蒸養脫模強度為36.70MPa,標準差2.86MPa,變異系數7.8%;管芯混凝土的纏絲強度為44.80MPa,標準差1.27MPa,變異系數2.8%;28d強度為57.80MPa,標準差3.74MPa,變異系數6.5%。 3. 生產工藝 3.1 產品設計 由于SYG-1700預應力混凝土輸水管屬于非標產品,我們首先參照GB5696標準設計了SYG-1700的基本尺寸和承口、插口的細部尺寸等參數。 管體基本尺寸如下:公稱直徑=1700mm,管體內徑=1700mm,外徑=1940mm,管體長度=4170mm,有效長度=4000mm,安裝間隙=20mm,管體芯厚=100mm,保護層厚度=20mm。 管體參考重量8700kg,混凝土用量3.48m3。 承口的細部尺寸如下:管芯承口外徑=2242mm,外導坡直徑=1994mm,工作面直徑=1956mm,內導坡直徑=2096mm,平直段長度=190mm,斜坡投影長度=1140mm。 插口的細部尺寸如下:管芯筒體外徑=1940mm,工作面直徑=1922mm。止膠臺外徑=1950mm。 3.2 模具設計 根據上述尺寸要求,我們設計制作了25套水泥管模具,模具由外模、芯模和承口模型環等組成。外模由4片四分之一圓弧形模片用螺栓連接組成半圓形,使用時再合成整模,內模為空心圓柱筒形,筒內中部設置可沿環向振動的震動器,振動時芯模可緩慢旋轉,使用時模具立放在成型坑內,承口朝上,便于壓放承口模型環,并有利于起吊脫模時用鋼絲繩套住管體承口。 3.3 生產工藝流程 生產工藝流程見圖1所示。 ![]() 圖1 芯模旋振工藝生產預應力混凝土輸水管(管芯纏絲工藝)的工藝流程
3.4 主要工藝參數
(1)計量:每盤混凝土攪拌量按112.5kg水泥進行配料,采用地磅稱量,計量誤差控制在標準范圍內。 (2)攪拌:采用500L強制式攪拌機,先將水泥、砂、石和外加劑干拌60~90s,再按配合比計量加水攪拌60~90s,控制混凝土混合料的坍落度為5~15mm。 (3)吊裝外模:用雙梁起重機吊裝外模入成型坑內,人工合模,涂隔離劑。 (4)張拉縱筋:人工穿縱向梁筋,沿圓周均勻布置,人工張拉,張拉控制應力為鋼絲標準強度值的0.7倍。 (5)套內模:用雙梁起重機吊入內模,內模表面人工涂隔離劑,之后安放澆注下料斗。 (6)澆注、振動成型混凝土:開動芯模振動器,芯模開始緩慢旋轉,連續澆注混凝土混合料,每根管芯需要8盤混凝土,連續澆注時間以50~70min為宜。 (7)壓放承口模型環:澆注后用大鐵錘將承口模型環打入上部內外模之間的混凝土中,在管芯端部形成承口形狀。 (8)初次靜停養護:澆注后必須靜停養護90min,以保證混凝土具有一定的初始強度,避免提出內模時管體混凝土坍塌破壞。 (9)提動內模:為防止內模脫模困難,從開始澆注時起至第150~170min應該用雙梁起重機提動內模。 (10)二次靜停養護:提動內模后必須再靜停養護30min。 (11)提出內模:為防止內模脫模困難,從開始澆注時起至第180~190min應該用雙梁起重機提出內模。 (12)內表面抹漿:為提高管芯的抗滲能力和內表面光潔度,在提出內模以后,立即用1:3的細水泥砂漿對內表面進行抹壓、收光,砂漿的W/C必須小于0.50,可內摻1%的FDN型萘系復合高效減水劑。 (13)蒸汽養護:將混凝土管芯帶外模吊入養護坑中進行蒸汽養護,在通入蒸汽1h后要求升溫到40~45℃,2h后升溫到60℃,3h后升溫到80~85℃,然后恒溫3h,每小時測溫1次。養護溫度曲線如圖2所示。 (14)坑內折模:蒸汽養護降溫結束后,在養護坑內拆除外模,用雙梁起重機將管體用鋼絲繩套住吊出坑外,立放在成型車間的半成品堆放區。 (15)澆水養護:管芯在堆放1d后,澆水養護3d,以保證達到纏絲強度。 (16)配重法纏絲:當纏絲強度達到40MPa時,用配重法纏絲工藝在管體纏繞環向預應力鋼絲,鋼絲應力用鋼絲測力計測量。 ![]() 圖2 蒸汽養護溫度曲線
(17)噴保護層砂漿:由砂漿輥射機噴射纏有環向預應力鋼絲的混凝土管芯的砂漿保護層,該砂漿為配比1:2的干硬性細水泥砂漿,內摻1%FDN型萘系復合高效減水劑。
(18)靜養與修補內表面:將噴好保護層砂漿的管體水平放置在成型車間的半成品堆放區,對砂漿保護層靜停養護3d。在靜養過程中,用環氧樹脂砂漿修補內表面的缺陷。修補前先鑿毛被修補處,沖洗干凈,烘干,刷上環氧樹脂基液,然后再用環氧樹脂砂漿認真修補,以保證修補質量。 (19)水養:經過車間靜養與修補內表面后的預應力混凝土輸水管,再在室外養護池水中養護7d,以保證產品的出廠強度。 (20)水壓檢驗:每根管子出廠前必須按照GB5696《預應力混凝土輸水管(管芯纏絲工藝)》的要求進行靜水壓力檢驗,其抗滲性能和接頭密封性能均要符合要求,并隨機抽取2根進行抗裂性水壓檢驗。如一次檢驗不合格,可用環氧樹脂砂漿修補后重新進行水壓檢驗,合格后允許出廠使用,如仍不合格者則應降級處理,Ⅱ級降為Ⅰ級。 |
下一篇:水泥制管企業混凝土廢料的二次利用



300-600×4000水泥管離心成
1200-1800×2000水泥管成型
300-600×2000離心式水泥制
500-1000×3000懸輥式水泥制
1500-2000×2000懸輥機
300-600×3000離心式水泥制
