產品介紹
使用說明
技術參數
|
檢查井模具采用組裝式鋼質模具,由外模、內模、上下法蘭幾個部分組成,每部分模具用直徑12mm的螺栓進行連接,可以方便的進行拆裝。模具的面板厚度為5mm,加強肋板厚10mm。
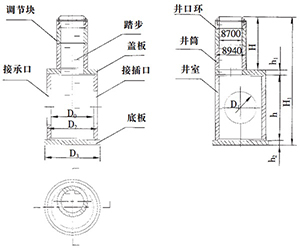
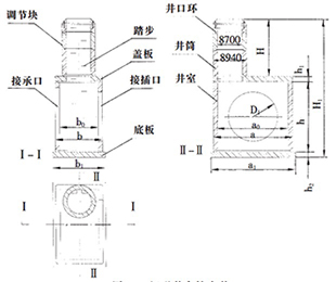
裝配式檢查井采用注塑式鑄鐵踏步,抗拉強度達到400MPa以上,延伸率18%,承載力2t以上。踏步直徑25mm,寬度330mm,踏步之間豎向間距為350mm。 我們生產的預制裝配式混凝土檢查井主要有兩種型號,分別是內徑1000mm和內徑1500mm的圓形和方形檢查井。每套裝配式檢查井由井室、井筒、變徑蓋板、調節環和井圈組成,內徑1000mm檢查井配套有高度為700mm和350mm兩種規格的井筒,內徑1500mm檢查井配套有高度為700mm的井筒。調節環分別有100mm、150mm、200mm、250mm、300mm、350mm六種規格。根據工程實際的檢查井埋深及管道管徑的不同搭配適當高度的裝配式檢查井。 ![]() 預制混凝土檢查井制作流程圖 |
|
施工工人必須在專業人員的帶領下進行裝配式檢查井的施工技術培訓,培訓內容主要包括熟悉檢查井樣式、模具的拆卸、混凝土澆筑及振搗要求、鋼筋綁扎方法、脫模劑調制和涂刷方法、混凝土墊塊的安放和綁扎、檢查井的養護、防滲涂料的涂抹方法等。
1. 模具拼裝 施工工人在拼裝檢查井模具前要明確模具安裝原理,并嚴格按照設計圖紙進行拼裝。模具拼裝完畢后要復核各部分是否安裝穩固、順直、平整、無扭曲,相鄰模具連接應緊密平順、不應錯位。模具接縫處螺栓要牢固,防止漏漿現象的產生。每次澆注混凝土前,模具的內表面應清除灰塵和其他雜質,并均勻涂抹脫模劑,脫模劑按照1:5-1:8的比例加水稀釋,待附著在模具表面的脫模劑完全干燥后,方可進行混凝土的澆注工作。 2. 鋼筋籠綁扎 檢查井使用的鋼筋需嚴格按批次送檢,待達到規范中的使用要求后,方可采用。鋼筋的綁扎和布置必須嚴格按照圖紙及相關規范要求進行,鋼筋連接處采用點焊。鋼筋籠成型前必須按設計要求配置鋼筋級別、鋼種、根數、直徑。 3. 混凝土 檢查井采用標號為C35P8的商混,設計使用壽命大于30年。不同等級、廠牌、品種、出廠日期的水泥不得混存、混用。出廠期超過三個月或受潮的水泥,必須經過試驗,合格后方可使用。粗集料應采用質地堅硬、耐久、潔凈的碎石、礫石、破碎礫石,并應符合相關標準的規定。 為提高混凝土早期強度或出于降低成本和提高混凝土耐久性的目的,混凝土中可添加早強劑或粉煤灰、礦粉、硅灰等礦物摻合料。化學外加劑和礦物摻合料的摻加必須經過試驗確定,并做好試驗記錄。混凝土的澆注過程中,整個井室分三次澆注,每次澆注300mm。澆注過程中采用3cm和5cm振搗棒交替振搗,要振搗完全、連續,從而提高混凝土的密實程度。 4. 養護 國內外許多學者的研究表明,混凝土結構或構件表面出現的許多網狀表面裂縫,絕大多數是由于混凝土的干燥收縮引起的。混凝土結構的干燥過程是由表面逐步擴展、延伸到內部的,所以,總是結構表面的收縮較大,內部收縮較小甚至不收縮。這就導致了混凝土結構體積變化的不均勻性,因此表面混凝土的收縮變形受到了來自內部混凝土的束縛,致使表面混凝土始終處于受拉的狀態,當該拉力逐漸接近甚至大于混凝土的抗拉強度時,混凝土必然導致開裂。 干縮裂縫還經常產生于預制構件的箍筋位置,一般來說,混凝土露天養護完畢后,兩小時內出現的干縮裂縫,可以通過重新對混凝土進行振搗來避免和減少。如未在規定時間對混凝土重新振搗,則干縮裂縫將隨著溫度和濕度的變化逐漸延伸、發展。由此可見為了避免井體開裂,檢查井的后期養護十分重要,構件拆模后必須用毛氈覆蓋灑水養護7天,當構件強度達到設計強度70%以上時,方可進行吊裝作業。 5. 拆模及后期處理 檢查井模具拆除應該嚴格按照設計的順序進行,遵循輕敲、輕放的原則,拆時嚴禁拋扔。模具拆除后要及時維修清理、分類妥善存放。由于城市污水中存在大量氯離子、硫酸根離子、金屬離子、以及其他具有腐蝕性的離子和顆粒,所以井體拆模后先用聚合物水泥防滲涂料涂抹兩遍,起到防水、防滲的作用。然后再用水泥基滲透結晶型防水涂料涂抹一遍,起到防滲及補償色差的作用。 6. 閉水試驗 對已經養護好且外觀質量已驗收合格的裝配式檢查井進行閉水試驗。試驗前,對檢查井預留孔管道進行封堵,將檢查井各部分接縫處用防水砂漿做座漿處理。在閉水試驗過程中,觀察檢查井是否存在裂縫、小孔等能導致井體嚴重滲水的缺陷,并做好試驗記錄。 |
![]() 圓形井管檢查井 ![]() 方形井室檢查井 |
熱門資訊 / NEWS
- 12-24· 水泥管設備的技術維護與管理
- 06-14· 淺議芯模振動制管機的產品質
- 02-14· 水泥管鋼筋骨架制作工藝作業
- 03-09· 立式振動水泥制管模具的混凝
- 02-05· 生產水泥管需要那些設備?
- 12-16· 預應力混凝土接觸網支柱裂縫








PG1500-2000GP水泥管模具
方涵模具|箱涵鋼模
1200×4000水泥管模具
1500×2000水泥涵管模具
馬鞍山宏泰管樁離心機改造項目
阿根廷巨型電桿生產設備
蘇丹喀土穆電桿生產線項目
馬亞西亞亞庇電桿生產線